商家供应
图文介绍
产品参数
供应商信息
韩国凯士CAS微型称重传感器NMNC-100KG
NMNC-50KG是韩国凯士(CAS)品牌的称重传感器,主要用于工业领域重量检测,具有高精度、稳定性强的特点。
一.主要参数
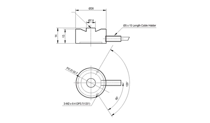
额定负载:50kgf
工作温度:80℃
精度等级:C3级
灵敏度:1或2mv/V
额定电压:10V
应用领域
广泛应用于煤炭、建筑、石化、电力等工矿企业,以及交通、港口、粮库等物流储运场景。
二.产品特性
(1)微型称重传感器
(2)体型小巧,精度高
(3)防护等级 IP67
(4)不锈钢材质
(5)量程范围:50kgf,100kgf,200kgf,500kgf,1tf,2tf,3tf



凯士NMNC系列完整型号:
NMNC-50KG
NMNC-100KG
NMNC-200KG
NMNC-500KG
NMNC-1T
NMNC-2T
NMNC-3T
三.功能特点:
-GAO精度:该传感器具有GAO精度的称重功能,可精确测量物体的重量。
-耐用性:采用不锈钢材质制造,具有较强的耐用性和抗腐蚀性。
-稳定性:输出信号稳定,能够保证称重结果的准确性。
-方便安装:传感器结构简单,安装方便,适用于各种工业称重设备。
四.应用领域:
-工业称重:适用于各种工业领域的称重和称量应用,如生产线称重、包装称重等。
-货物称重:可用于仓储和物流领域的货物称重,提高称重效率和准确性。
-电子秤:可用于制造电子秤和其他称重设备。
总的来说,韩国凯士的NMNC-50L称重传感器具有高精度、耐用性和稳定性,适用于各种工业称重和称量应用,是一款性能优秀的称重传感器产品。
韩国凯士NMNC系列这是一款微型称重传感器,具有体型小巧、精度高、防护等级IP67、不锈钢材质、量程范围广等特点。
如果你经常需要测量物体的重量,那么这款韩国CAS load cell凯士称重传感器绝对是你的不二之选。它的体型小巧,可以轻松携带,精度高,可以满足各种测量需求。同时,它采用不锈钢材质,具有防水、防尘、防腐蚀等特点,使用寿命更长。
NMNC-50KG是韩国凯士(CAS)品牌的称重传感器,主要用于工业领域重量检测,具有高精度、稳定性强的特点。
一.主要参数
额定负载:50kgf
工作温度:80℃
精度等级:C3级
灵敏度:1或2mv/V
额定电压:10V
应用领域
广泛应用于煤炭、建筑、石化、电力等工矿企业,以及交通、港口、粮库等物流储运场景。
二.产品特性
(1)微型称重传感器
(2)体型小巧,精度高
(3)防护等级 IP67
(4)不锈钢材质
(5)量程范围:50kgf,100kgf,200kgf,500kgf,1tf,2tf,3tf



凯士NMNC系列完整型号:
NMNC-50KG
NMNC-100KG
NMNC-200KG
NMNC-500KG
NMNC-1T
NMNC-2T
NMNC-3T
三.功能特点:
-GAO精度:该传感器具有GAO精度的称重功能,可精确测量物体的重量。
-耐用性:采用不锈钢材质制造,具有较强的耐用性和抗腐蚀性。
-稳定性:输出信号稳定,能够保证称重结果的准确性。
-方便安装:传感器结构简单,安装方便,适用于各种工业称重设备。
四.应用领域:
-工业称重:适用于各种工业领域的称重和称量应用,如生产线称重、包装称重等。
-货物称重:可用于仓储和物流领域的货物称重,提高称重效率和准确性。
-电子秤:可用于制造电子秤和其他称重设备。
总的来说,韩国凯士的NMNC-50L称重传感器具有高精度、耐用性和稳定性,适用于各种工业称重和称量应用,是一款性能优秀的称重传感器产品。
韩国凯士NMNC系列这是一款微型称重传感器,具有体型小巧、精度高、防护等级IP67、不锈钢材质、量程范围广等特点。
如果你经常需要测量物体的重量,那么这款韩国CAS load cell凯士称重传感器绝对是你的不二之选。它的体型小巧,可以轻松携带,精度高,可以满足各种测量需求。同时,它采用不锈钢材质,具有防水、防尘、防腐蚀等特点,使用寿命更长。
品牌其他
型号NMNC-100KG
输出信号模拟型
转换方式电阻应变式
外形轮辐式
受力方式压式
材质不锈钢
适用温度其他
加工定制否
是否进口是
产地江苏
江西赛衡自动化设备有限公司
- 公司类型私营合伙企业
- 经营模式贸易公司-私营合伙企业
- 联系人郭工
- 联系手机18370733320
- 联系固话0797-6560591
- 公司地址江西省赣州市南康区东山街道办事处光明国际家具城B区2栋五楼21号
主营业务
称重传感器
江西赛衡自动化设备有限公司位于江西省赣州市,我司专业从事国际知名品牌气动元件、仪表、电器产品销售与服务,服务于制药、食品、轮胎、包装、火电、化工、造纸、机械、水泥、食品、医药、包装、饮料、污水处理等行业。公司坚持多品种、多品牌、差异化的发展战略。我们坚决不销售任何假、伪、劣的零部件。我们是降低设备运行成本,做到服务好广大新老客户,切实提高您的经济效益较好的选择。
同类产品
-
梅特勒-托利多IND245 工业称重终端(汽车衡专用系列) ¥1100.00
-
WBK-100T不锈钢柱式称重传感器 韩国CAS凯士 ¥900.00
-
WBK-50T不锈钢柱式称重传感器 韩国CAS凯士 ¥900.00
-
WBK-30T不锈钢柱式称重传感器 韩国CAS凯士 ¥900.00
-
WBK-25T不锈钢柱式称重传感器 韩国CAS凯士 ¥900.00
-
WBK-20T不锈钢柱式称重传感器 韩国CAS凯士 ¥900.00
-
WBK-10T不锈钢柱式称重传感器 韩国CAS凯士 ¥900.00
-
韩国CAS凯士合金钢材质称重传感器SMN-2T ¥750.00
-
韩国CAS凯士合金钢材质称重传感器SMN-1T ¥750.00
-
韩国CAS凯士合金钢材质称重传感器SMN-500L ¥750.00
-
韩国CAS凯士合金钢材质称重传感器SMN-300L ¥750.00
-
韩国CAS凯士合金钢材质称重传感器SMN-200L ¥750.00
-
韩国CAS凯士合金钢材质称重传感器SMN-100L ¥750.00
-
韩国CAS凯士合金钢材质称重传感器SMN-50L ¥750.00
-
韩国CAS凯士合金钢材质称重传感器SMN-30L ¥750.00